logo

تفاصيل المنتجات

Created with Pixso. المنزل Created with Pixso. المنتجات Created with Pixso.
أجهزة حماية الجهد المنخفض
Created with Pixso.

وحدات تحكم PLC إيثرنت IC693CMM321، سلسلة 90-30 وحدة إيثرنت إدخال/إخراج 4 قنوات

وحدات تحكم PLC إيثرنت IC693CMM321، سلسلة 90-30 وحدة إيثرنت إدخال/إخراج 4 قنوات

الاسم التجاري: GE
رقم الطراز: IC693CMM321
الـ MOQ: 1
السعر: قابل للتفاوض
شروط الدفع: L/C, D/A, D/P, T/T, Western Union, MoneyGram
القدرة على التوريد: In Stock
معلومات مفصلة
Place of Origin:
USA
إصدار الشهادات:
CE
Packaging Details:
New Original Box
Supply Ability:
In Stock
إبراز:

وحدة إيثرنت ذات 4 قنوات 90-30,وحدة إيثرنت من سلسلة 90-30,وحدة إثنتر IC693CMM321

,

Series 90-30 Ethernet Module

,

IC693CMM321 Ethernet Module

وصف المنتج
وصف مفصل للمنتج
العلامة التجارية: جنرال الطراز: IC693CMM321
مكان المنشأ: الولايات المتحدة الأمريكية اسم المنتج وحدة واجهة الايثرنت
سلسلة: 90-30 وزن: 1 باوند
التيار الكهربائي: 10% استجابة فلتر الإدخال: 29 هرتز
أبرز:

جهاز تحكم صناعي قابل للبرمجة

,

أجهزة تحكم الـ ethernet plc

 

 

وحدة تحكم منطقية قابلة للبرمجة من PLC IC693CMM321 GE FANUC SERIES 90-30 Ethernet Interface Module

 

 

 

 

The Analog Current/Voltage Combination Input/Output module provides up to 4 differential input current or voltage channels and 2 single-ended output channels with either current loop outputs or voltage outputsكل قناة يمكن تكوينها بشكل فردي لمدى التيار أو الجهد ، حسب الاقتضاء ، المطلوبة للتطبيق الخاص بك. يتم تكوين كل وحدة من خلال البرمجيات ،باستثناء القفز المطلوب لاختيار وضع الإدخال الحالييمكن تكوين جميع المجموعات باستخدام إما وظيفة تكوين برنامج البرمجة Logicmaster 90-30/20 / Micro أو المبرمج اليدوي من السلسلة 90-30.

 

لاحظ أنه في وصف هذه الوحدة، سيتم الإشارة إلى الوحدة ببساطة باسم "وحدة Combo Analog".

 

كل مدخل تشبيه قادر على توفير خمس نطاقات مدخل (ثنين من الجهد وثلاثة من التيار) ، وهي:

  • 0 إلى + 10 فولت (وحيد القطب) - النطاق الافتراضي لكل من قنوات الدخول والمخرج.
  • 10 إلى +10 فولت (ثنائي القطب)
  • 0 إلى 20 مآ 4 إلى 20 مآ
  • من 4 إلى 20 مآ محسن

 

نطاق المدخل الافتراضي هو وضع الجهد من 0 إلى + 10 فولت (وحيد القطب) مع بيانات المستخدم مقياسها بحيث يتوافق 0 فولت مع عدد 0 و 10 فولت يتوافق مع عدد 32767.

 

كل مخرج تشبيه قادر على توفير أربع نطاقات مخرجات (جهدين وتيارين):

  • 0 إلى + 10 فولت (وحيد القطب) - النطاق الافتراضي لكل من قنوات الدخول والمخرج.
  • 10 إلى +10 فولت (ثنائي القطب)
  • من 0 إلى 20 ملي آمبر
  • من 4 إلى 20 ملي آمبر

 

 

 

تفاصيل سريعة

  1. علامة:جنرال
  2. النموذج:IC693CMM321
  3. مكان المنشأ: الولايات المتحدة

 

الوصف

يمكن تكوين المخرجات إما للحفاظ على الحالة الأخيرة أو لإعادة تعيينها إلى الطرف السفلي من نطاقها إذا تم قطع طاقة النظام.يمكن أيضًا تكوين المخرجات للعمل في وضع الرامب عند الأمر من برنامج التطبيق. في وضع الرامب ، تتحول قناة الإخراج إلى قيمة جديدة على مدى فترة من الزمن ، بدلاً من أخذ القيمة الجديدة على الفور.يمكن تعيين حدود إنذار عالية ومنخفضة لجميع قنوات المدخلات ويمكن الإبلاغ عن خطأ الأسلاك المفتوحة (أنماط المخرجات الحالية) إلى وحدة المعالجة المركزية لكل قناة مخرجوحدات ALG442 في رفوف RX3i تدعم تحديثات البرمجيات الثابتة في الميدان.

 

 

المواصفات

عدد قنوات الإدخال:4 التفاضل
نطاقات الإدخال:0 إلى 20 مآ / 4 إلى 20 مآ / 4 إلى 20 مآ محسنة
الدقة من 0 إلى +10 فولت:2.5 mV (1 LSB = 2.5 mV)
دقة -10 إلى +10 فولت:5 mV (1 LSB = 5 mV)
استجابة فلتر الإدخال:29 هرتز
استهلاك التيار الحالي من إمدادات +5 فولت الداخلية:95 مآ
الاستهلاك الحالي من إمدادات المستخدم الخارجي:129 mA
نوع الجهاز:المدخلات / المخرجات التناظرية ، التيار / الجهد
نطاق التوتر الخارجي للطاقة:20 إلى 30 VDC (24 VDC نموذجية)
التيار الكهربائي:10%
استهلاك الطاقة:95 mA من +5 VDC الداخلي، 150 mA من +24 VDC الخارجي
معدل التحديث: معدل التحديث:3 ميس
العزلة، المجال إلى الخلفية والإطار الأرضي:250 فاكس متواصلة ؛ 1500 فاكس لمدة دقيقة واحدة
النتائج التناظرية:إثنان، عازب؟ انتهى
نطاق الخروج:0 إلى 20 مآ، 4 إلى 20 مآ
قدرة الحمل الخارجي:2000 pF (أقصى)
حرارة الحمل الخارجي:1 ساعة (على الأكثر)

 

 

The Analog Current/Voltage Combination Input/Output module provides up to 4 differential input current or voltage channels and 2 single-ended output channels with either current loop outputs or voltage outputsكل قناة يمكن تكوينها بشكل فردي لمدى التيار أو الجهد ، حسب الاقتضاء ، المطلوبة للتطبيق الخاص بك. يتم تكوين كل وحدة من خلال البرمجيات ،باستثناء القفز المطلوب لاختيار وضع الإدخال الحالييمكن تكوين جميع المجموعات باستخدام إما وظيفة تكوين برنامج البرمجة Logicmaster 90-30/20 / Micro أو المبرمج اليدوي من السلسلة 90-30.

 

لاحظ أنه في وصف هذه الوحدة، سيتم الإشارة إلى الوحدة ببساطة باسم "وحدة Combo Analog".

 

كل مدخل تشبيه قادر على توفير خمس نطاقات مدخل (ثنين من الجهد وثلاثة من التيار) ، وهي:

  • 0 إلى + 10 فولت (وحيد القطب) - النطاق الافتراضي لكل من قنوات الدخول والمخرج.
  • 10 إلى +10 فولت (ثنائي القطب)
  • 0 إلى 20 مآ 4 إلى 20 مآ
  • من 4 إلى 20 مآ محسن

 

نطاق المدخل الافتراضي هو وضع الجهد من 0 إلى + 10 فولت (وحيد القطب) مع بيانات المستخدم مقياسها بحيث يتوافق 0 فولت مع عدد 0 و 10 فولت يتوافق مع عدد 32767.

 

كل مخرج تشبيه قادر على توفير أربع نطاقات مخرجات (جهدين وتيارين):

  • 0 إلى + 10 فولت (وحيد القطب) - النطاق الافتراضي لكل من قنوات الدخول والمخرج.
  • 10 إلى +10 فولت (ثنائي القطب)
  • من 0 إلى 20 ملي آمبر
  • من 4 إلى 20 مللي آمبر
 
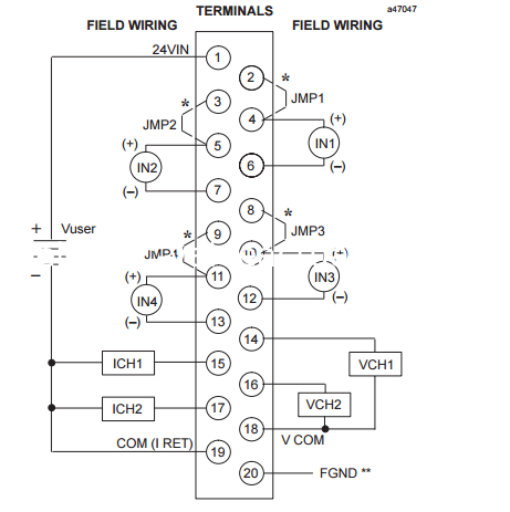
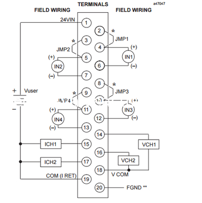
IC693ALG442 الرسم البياني للأسلاك في وحدات الحزمة التناظرية
 
وحدات تحكم PLC إيثرنت IC693CMM321، سلسلة 90-30 وحدة إيثرنت إدخال/إخراج 4 قنوات 0
 
منتجات مماثلة
IC693CMM321A IC693CMM321B IC693CMM321C
IC693CMM321D IC693CMM321E IC693CMM321F
IC693CMM321G IC693CMM321H IC693CMM321J
IC693CMM321J IC693CMM321K IC693CMM321L
IC693CMM321M IC693CMM321N IC693CMM321O
IC693CMM321P IC693CMM321Q IC693CMM321R
IC693CMM321S IC693CMM321T IC693CMM321U
IC693CMM321V IC693CMM321W IC693CMM321X
IC693CMM321Y IC693CMM321Z

 

 

وحدات تحكم PLC إيثرنت IC693CMM321، سلسلة 90-30 وحدة إيثرنت إدخال/إخراج 4 قنوات 1

 


المنتجات العليا الأخرى

ياساكاوا موتور، سائق SG- Mitsubishi Motor HC-، HA-
وحدات (ويستنغهاوس) 1C،5X- إيمرسون VE،KJ-
(هانيويل) ، (تي سي) ، (تي كي) محرك الفانوك A0-
جهاز إرسال روزماونت 3051- جهاز إرسال يوكوغاوا