logo

تفاصيل المنتجات

Created with Pixso. المنزل Created with Pixso. المنتجات Created with Pixso.
أجهزة حماية الجهد المنخفض
Created with Pixso.

Phoenix MACX MCR-T-UI-UP 2811394 temperature measurement module has high accuracy

Phoenix MACX MCR-T-UI-UP 2811394 temperature measurement module has high accuracy

الاسم التجاري: Phoenix
رقم الطراز: 2811394
الـ MOQ: 1
السعر: Negotiations
معلومات مفصلة
مكان المنشأ:
ألمانيا
الحد الأقصى للتبديل الجهد:
30 فولت تيار متردد/تيار مستمر
الأعلى. تحويل التيار:
1 أمبير (30 فولت تيار مستمر)
الأعلى. إشارة الإخراج الحالية:
22 مللي أمبير
تحميل/إخراج تحميل الجهد الناتج:
≥ 10 kΩ
تفاصيل التغليف:
مربع أصلي جديد
إبراز:

Phoenix temperature measurement module,high accuracy temperature module,low voltage protection temperature sensor

,

high accuracy temperature module

,

low voltage protection temperature sensor

وصف المنتج
Phoenix MACX MCR-T-UI-UP 2811394 temperature measurement module has high accuracy
Phoenix MACX MCR-T-UI-UP 2811394 temperature measurement module has high accuracy 0
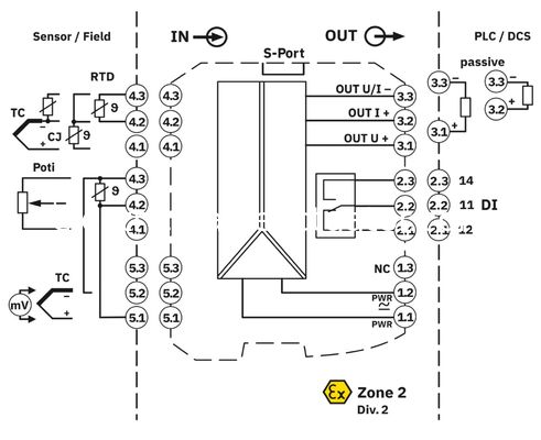
The Phoenix MACX MCR-T-UI-UP (Part No. 2811394) is a high-performance temperature measurement module that stands out for its exceptional accuracy, making it ideal for precision-critical industrial applications. Engineered to deliver reliable temperature detection and signal processing, this module seamlessly integrates with various temperature sensors to convert raw data into stable, industry-standard outputs, ensuring consistent and precise readings even in demanding operating environments. Its compact design and robust build enable easy integration into existing industrial control systems, catering to the needs of process control, manufacturing, and machinery monitoring where accurate temperature measurement is vital for operational efficiency and safety.